SAKTHI the name has been trusted in textile spinning mills for its product like TOP ROLLERS for all type of Draw frame,Comber,Lap former and Ring frame & Speed frame.
SAKTHI’s motto is to provide quality products in the Spinning process and make the customers to achieve optimum level of production and quality.
SAKTHI’s Administrative office and Manufacturing unit is located in the heart of textile city, COIMBATORE.
SAKTHI started during the year 2007 and it is promoted and run by a team of dedicated qualified engineers
We Sakthi Textile Engineers having an In-house facility of following Roller room m/cs to fulfill your service need for all type of Cots Mounting & Buffing.
To mount Alucore cots for all type of top frame comber & Lap former.
To mount Glue on cots for all type of top frame comber & lap former.
To mount Alucore/easy fit bar PVC core cots for all type of top frame comber & Lap former.
Fully automatic with hydraulic attachment and wider width stone.
To make a Spiral grooving on cots surface as per OEM recommendation 2mm width x 2mm depth.
Want to know more about this? Contact us
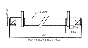
SAKTHI TEXTILE ENGINEERS are manufacturing "Excellent Quality" Top rollers suitable for textile Preparatory & Spinning machine as a replacement spare for various types,
SAKTHI Top Rollers and End Bushes are made out of High Chromium and Medium Carbon Alloy Steel.
Want to know more about this? Contact us
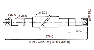
Spinning Arbours are made of SAE 52100 grade imported steel and double row HCHCR balls are fitted with non detachable loose bass arrangement.
Want to know more about this? Contact us